同步载波提取
本页面主要介绍同步载波提取的三种方法:添加导频、平方环法、COSTAS环法。
定义
如果某种解调方法需要恢复同步载波,则称为同步解调或相干解调。其中同步载波提取是一个关键的通用步骤,具有相对固定的方法。
方法
实现同步载波提取有三种方法:添加导频、平方环法、COSTAS环法
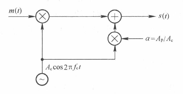
添加导频

以 DSB-SC 信号为例,可以添加额外的载频分量,其称为导频。这样,信号就有了离散载频分量,频谱如下图所示。

可利用调谐于载频 \(f_c\) 的窄带滤波器,在接收端滤出离散的导频分量作为相干解调的恢复载波。
额外添加加导频的缺点是:在发端要分配一部分功率给导频。
平方环法

平方环的工作原理如下。输入信号为
信号经过一个平方律器件后,得到
若 \(b^2(t)\) 含有离散的直流分量,则上式含有离散的 \(2 f_c\) 频率分量,用一窄带调谐电路将此离散的 \(2 f_c\) 频率分量滤出,然后用锁相环作窄带滤波进一步滤除噪声,再进行二分频,即可获得所需的恢复载波,称此提取载波的方法为平方环法。
注意
利用平方环法提取载波,其主要电路的工作频率是载频的两倍。
COSTAS 环法
科斯塔斯环是一锁相环,整个环路形成一反馈系统,如下图所示。

该锁相环有两个支路,上方支路为同相支路,下方支路为正交支路,此两支路的输出相乘后得一控制电压,控制压控振荡器(VCO)的频率。
当系统处于同步状态时,压控振荡器(VCO)的输出 \(\upsilon_1\) 就是所需提取的载波,同相支路上 \(\upsilon_3\) 即为原始信号的解调输出。
具体说明
在图中的各点信号表示式为
式中的 \(\theta\) 是 VCO 输出电压与接收的信号载波之间的相位误差,当 \(\theta\) 较小时
\(v_7\) 经环路滤波器(低通滤波)后所得到的控制电压 \(\upsilon(\theta)\) 与相位误差 \(\theta\) 成正比,它相当于鉴相器的输出,用此控制电压去控制 VCO 的频率。
总之,整个锁相环的设计,应使得锁相环的稳态相位误差 \(\theta\) 很小。
平方环、COSTAS环的相位模糊
对于平方环法,二分频器分频 \(\cos4\pi f_\mathrm{c}t\) 的输出相位可能为 \(0, \pi\),因此可能的输出为 \(\cos2\pi f_\mathrm{c}t, - \cos2\pi f_\mathrm{c}t\) 两种可能,取决于分频器的初始状态。
在科斯塔斯环中,相位差 \(\theta\) 的初始值在由电路启动时状态决定,为在[0,2π]内分布的随机值。若初始 \(\theta\) 在一、四象限,VCO 在 \(v_7\) 的作用下变化,最终 \(\theta\) 将趋向 0。若初试 \(\theta\) 在二、三象限,最终 \(\theta\) 将趋向 \(\pi\)。
上述现象称为恢复载波的 \(0, \pi\) 相位模糊。