单边带调制
前置知识:双边带抑制载波调幅
本页面主要介绍单边带调制的定义和解调方式
定义
单边带调制
双边带调制(包括 DSB-SC 以及 AM)的频谱有两个对称的边带,使其带宽是基带信号带宽的 2 倍。为了节约信号传输中对信道带宽的占用,可以去除其中一个边带来传输,这种方式就是单边带(SSB)调制,如下图所示。

注意
加载载波为 \(2 A_c \cos 2 \pi f_c t\),其幅值为 DSB-SC 载波 \(A_c \cos 2 \pi f_c t\) 的 2 倍。目的是加倍单边带的幅值,让最终解调输出和 DSB-SC 解调输出结果一致。
滤波结果推导(不完整)
以获取上边带信号为例,边带滤波器的传递函数为:
边带滤波器的输入是 DSB-SC 信号 \(2 A_{\mathrm{c}}m(t)\cos2\pi f_{\mathrm{c}}t\),其复包络是 \(2 A_{\mathrm{c}}m(t)\)。边带滤波器的等效基带传递函数为
等效基带滤波器 \(H_{\mathrm{e}}(f)\) 的输出是上单边带信号 \(s(t)\) 的复包络。
可将 \(H_{\mathrm{e}}(f)\) 改写成下面的形式:
注意 \(-\mathrm{j} ~ \mathrm{sgn} (f)\) 是希尔伯特变换。因此等效基带滤波器的输出信号是
通过滤波器,可得到上单边带信号(USB)的时域表达式为
滤波器和频谱图像如下:

同理可得下单边带信号(LSB)下单边带信号的时域表达式为
滤波器和频谱图像如下:

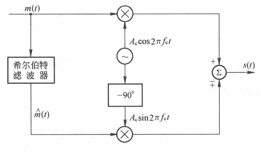
根据如上 2 个公式,可得到单边带调制信号的又一产生方法,如下图所示。

残留边带调制
由于 SSB 解调所需的边带滤波器在 \(f=f_{\mathrm{~c~}}\) 处有陡峭的频率特性,不是现实可实现的。
考虑到滤波器的可实现性,完全保留一个边带、滤除另一个边带是很难实现的,只能让另一个边带有所残留,这种方式称为残留边带(VSB)调制。调制框图如下图所示:

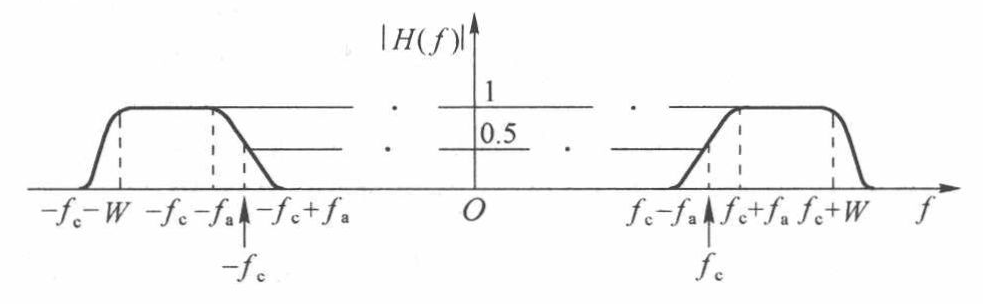
示例 上边带残留的下边带滤波器 \(H(f)\) 如下图所示:

示例 下边带残留的上边带滤波器 \(H(f)\) 如下图所示:

其必须要满足的特征是,\(k\) 为任意正实数:
即频谱搬移到基带重合相加后,0 频率附近的幅频特性恰好为一个常数。
证明
残留边带调幅的相干解调器仍然与 DSB-SC 相同,为了得到与 DSB-SC 一致的解调输出,需要 VSB 信号的复包络 \(s_\mathrm{L}(t)\) 的实部为 \(A_\mathrm{c}m(t)\),即
根据带通信号等效基带分析的原理,\(s_L( t)\) 是 \(A_\mathrm{c} m( t)\) 通过一个传递函数为 \(H_{\mathrm{e} }( f)\) 的低通滤波器的输出。\(H_{\mathrm{e}}(f)\) 与 \(H(f)\) 的关系是:\(H(f)\) 的正频率部分是 \(H_\mathrm{e}(f)\) 右移,\(H(f)\) 的负频率部分是 \(H_\mathrm{e}^*(-f)\) 左移,即
也可以表示为:
\(s_{{\mathrm{L}}}(t)\) 的频谱是 \(S_{\mathrm{L}}(f)=A_{\mathrm{c}}M(f)H_{\mathrm{e}}(f)\),\(s_{\mathrm{L}}^{*}(t)\) 的频谱是
\((-f)=A_\text{c}M(f)H_\text{e}^*(-f)\)。代入 \(s_{\mathrm{L}}^{*}(t)\) 的频谱并约去 \(A_\text{c}M(f)\) 后得到 \(\(H_{\mathrm{e}}(f)+H_{\mathrm{e}}^{*}(-f)=2\)\)
再将 \(H(f),H_e(f)\) 关系式代入后,得到:
这就是残留边带滤波器必须要满足的特性
解调方法
相干解调
使用相干解调器,参考 双边带抑制载波调幅-相干解调
输出结果与 DSB-SC 一致,恢复载波理想同步时,输出为:
抗噪声性能
信噪比推导
以理想同步的相干解调为例,根据解调推导,可以得到在 AWGN 信道下,解调器输出为
SSB 已调信号为
其中 \(\overset{\wedge}{\operatorname*{m}}(t)\) 是 \(m(t)\) 的希尔伯特变换。SSB 信号的带宽是 \(B=W\),功率是 \(P_{\mathrm{R}}=A_{\mathrm{c}}^{2}P_{\mathrm{m}}\),复包络是\(A_{{c}}[m(t)\pm\mathrm{j}\hat{m}(t)]\),故解调输出与 DSB-SC 相同,为:
\(A_{{c}}m(t)\) 的功率是 \(A_{{c}}^2P_{{m}}=P_{{R}}\),\(n_{{c}}(t)\) 的功率是 \(N_0B=N_0W\),因此 SSB 理想相干解调的输出信噪比与 DSB-SC 相同。
SSB信号中有两个 DSB-SC 信号:\(A_\mathrm{c}m(t)\cos2\pi f_\mathrm{c}t\) 与 \(A_\mathrm{c}\overset{\wedge}{\operatorname*{m}}(t)\sin2\pi f_\mathrm{c}t\)。其中只有 \(A_\mathrm{c}m(t)\cos2\pi f_\mathrm{c}t\) 对解调输出有贡献,这一部分的功率占 SSB 信号总功率 \(P_\mathrm{R}\) 的一半。另一个 DSB \(A_{\mathrm{c}}\overset{\wedge}{\operatorname*{m}}(t)\sin2\pi f_{\mathrm{c}}t\) 虽然对解调输出无贡献,但它能消掉 DSB 的一个边带,使信号带宽变窄,进而使噪声功率减半。
SSB 信号的信噪比:
SSB 信号通过相干解调得到输出的信噪比为:
调制制度增益 \(G\):